
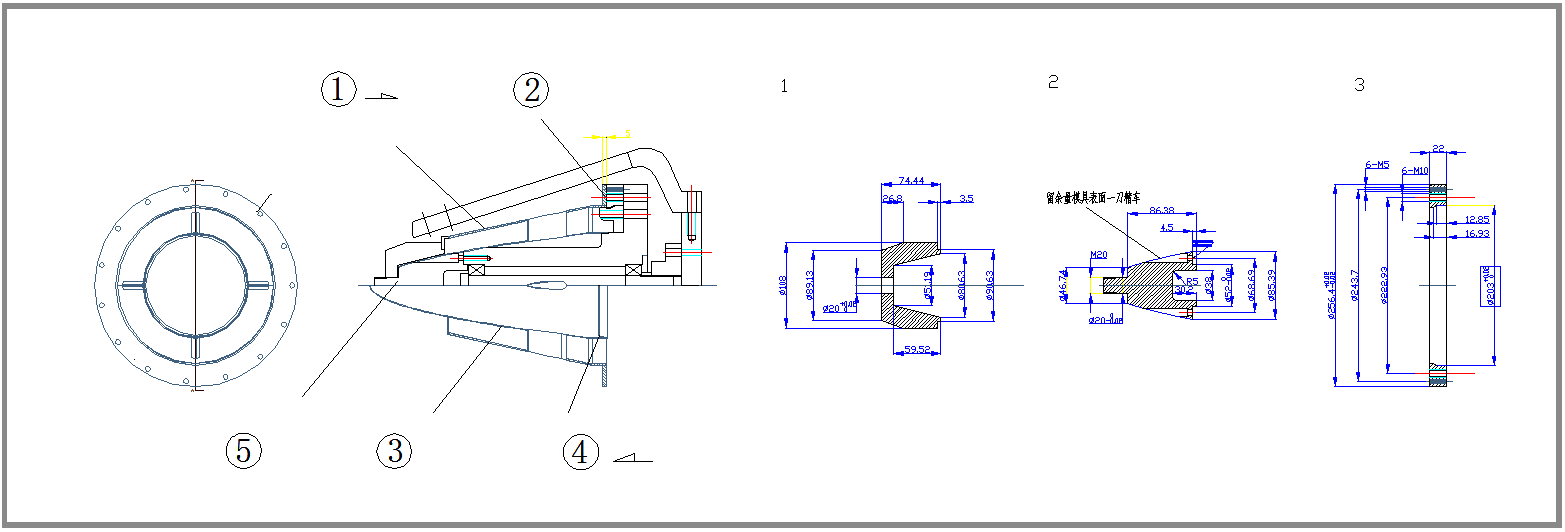
Dinnovation exceptional CAD and UG design includes CNC spinning mold design, Tube fixture design,welding fixture design ,Inspection tool design,CNC spinning machine design .

All the CNC metal spinning machines are designed and assembled by Dinnovation.
● 600 double roller CNC spinning machine
● 400 single roller CNC spinning machine
● 800 double roller heavy duty CNC spinning machine
● 800 double roller tube CNC spinning machine

● Mold types: Separate mold Eccentric mold Necking mold
● Mold material: 45# Cr12mov 40Cr

We have two kinds of tube spinning fixture .
● Air pressure fixture : used in thin and little tube ,the hold force is little than hydraulic fixture .
● Hydraulic fixture : used in thick and big tube ,it is suit to spin stainless steel tube .

We design many welding fixture in the precision military and aircraft industry ,it need to control the size and reduce the internal stress. so the part will have a better accuracy after welding cooling.
● Assembled accuracy requirement : Diameter<500mm, accuracy +-0.2mm.
● Welding gap : It is less than 0.2mm, if the gap is over 0.2mm,it is hard to weld by 5 axis laser welding machine, if it is welding by hand, the internal stress is not uniform. so gap is so important to control the internal stress.
● Welding step : Welding step is another key factor to reduce the internal stress.

We design point welding fixture to assemble all the part together by point welding. We need to inspect the assemble accuracy before full welding, then we finish welding in the full welding fixturing.
Point welding fixture function : ①assemble all the part together, ②make the basic strength before full welding.
Full welding fixture function : ①control the welding size, ② reduce the internal stress.

We need to design the inspection tool to check the product.
● Relative position accuracy
● Concentricity
● Diameter and height accuracy
We can offer another complex and challenging design accord to your requirement and drawing .

We can offer another complex and challenging design accord to your requirement and drawing .